学院首页     |
项目成员      |
模型库       |
下载中心       |
当前位置:机械基础机构模型库>>常见零部件>>螺纹连接件>平垫圈倒角型
当前时间:   机械基础机构模型库欢迎您!
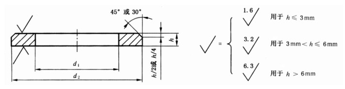
平垫圈倒角型 A级/T97.1-2002
AS
公称规格(螺纹大径d) GB/T97.1 技术条件和引用标准

内径d1

外径d2 厚度h

1.6 1.7 4 0.3 1.机械性性能
2 2.2 5 0.3 种类 硬度 等级范围
2.5 2.7 6 0.5 200HV 200HV-300HV
3 3.2 7 0.5 300HV 300HV-370HV
4 4.3 9 0.8
5 5.3 10 1
6 6.4 12 1.6 不锈钢 200HV 200HV-300HV
8 8.4 16 1.6
10 10.5 20 2
12 13 24 2.5  
16 17 30 3  
20 21 37 3  
24 25 44 4  
30 31 56 4  
36 37 66 5 2.不锈钢组别:A2、F1、C1、A4、C4(按GB/3098.6)
42 45 78 8 3.表面缺陷:零件不允许有规则的或有害的缺陷。垫圈表面不得有突出的毛刺
48 52 92 8  
56 62 105 10  
64 70 115 10  

14 15 28 2.5
3.表面处理
⑴不经过表面处理,即垫圈应是本色的并涂有防锈油或按供需双方协议的涂层;
⑵电镀的技术要求按GB/T5267.1;⑶非电解锌片涂层技术要求按GB/T5267.2;  
⑷对淬火回火的垫圈应采用适当的涂层或镀工艺以免氢脆。当电镀或磷化处理垫圈时,
应在电镀或涂层后立即进行适当处理,以驱除有害的氢脆;⑸ 所有公差适用于镀或涂前尺寸。
18 19 34 3
22 23 39 3
33 34 60 5
39 42 72 6
45 48 85 8
52 56 98 8
60 66 110 10
Copyright@2012-2013 College of Mechanical and Eletronical Eingeering. All rights reserved.
塔里木大学机械电气化工程学院 版权所有
联系电话:(0997)4683855 E-mail: jdy@taru.edu.cn 地址:新疆·阿拉尔市 邮编:843300