网站首页
|
学院首页
|
项目成员
|
模型库
|
下载中心
|
联系我们
当前位置:
机械基础机构模型库
>>
常见零部件
>>
螺纹连接件
>>圆螺母
当前时间:
机械基础机构模型库欢迎您!
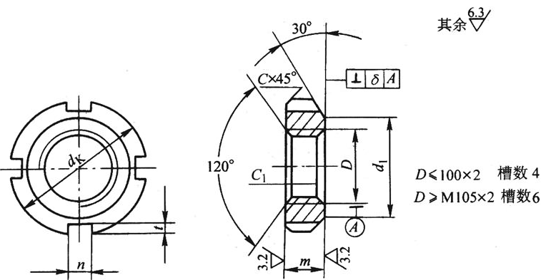
圆螺母(GB)
圆螺母 A型/T812-1988
嵌装圆螺母 A型/T809-1988
嵌装圆螺母 B型/T809-1988
小圆螺母 GB/T810-1988
圆螺母 GB/T812-1988
端面带孔圆螺母 GB/T815-1988
侧面带孔圆螺母 GB/T816-1988
带槽圆螺母 GB/T817-1988
Copyright@2012-2013 College of Mechanical and Eletronical Eingeering. All rights reserved.
塔里木大学机械电气化工程学院 版权所有
联系电话:(0997)4683855 E-mail: jdy@taru.edu.cn 地址:新疆·阿拉尔市 邮编:843300