网站首页
|
学院首页
|
项目成员
|
模型库
|
下载中心
|
联系我们
当前位置:
机械基础机构模型库
>>
常见零部件
>>
螺纹连接件
>侧面带孔圆螺母
当前时间:
机械基础机构模型库欢迎您!
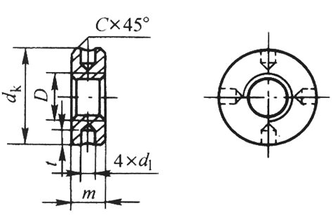
圆螺母(GB)
侧面带孔圆螺母 GB/T816-1988
嵌装圆螺母 A型/T809-1988
嵌装圆螺母 B型/T809-1988
小圆螺母 GB/T810-1988
圆螺母 GB/T812-1988
端面带孔圆螺母 GB/T815-1988
侧面带孔圆螺母 GB/T816-1988
带槽圆螺母 GB/T817-1988
螺纹规格 D
dk max
m max
d1
t
B
k
d2
标记代号
M2
5.5
2
1
2
4
1
M1.2
M2
M2.5
7
2.2
1.2
2.2
5
1.1
M1.4
M2.5
M3
8
2.5
1.5
1.5
5.5
1.3
M1.4
M3
M4
10
3.5
1.5
2
7
1.8
M2
M4
M5
12
4.2
2
2.5
8
2.1
M2
M5
M6
14
5
2.5
3
10
2.5
M2.5
M6
M8
18
6.5
3
3.5
13
3.3
M3
M8
M10
22
8
3.5
4
15
4
M3
M10
Copyright@2012-2013 College of Mechanical and Eletronical Eingeering. All rights reserved.
塔里木大学机械电气化工程学院 版权所有
联系电话:(0997)4683855 E-mail: jdy@taru.edu.cn 地址:新疆·阿拉尔市 邮编:843300